Menu

搜索更多信息
6686体育
首页 > 产品展示 > 多轴模组系列 > 线轨欧轨同步带模组
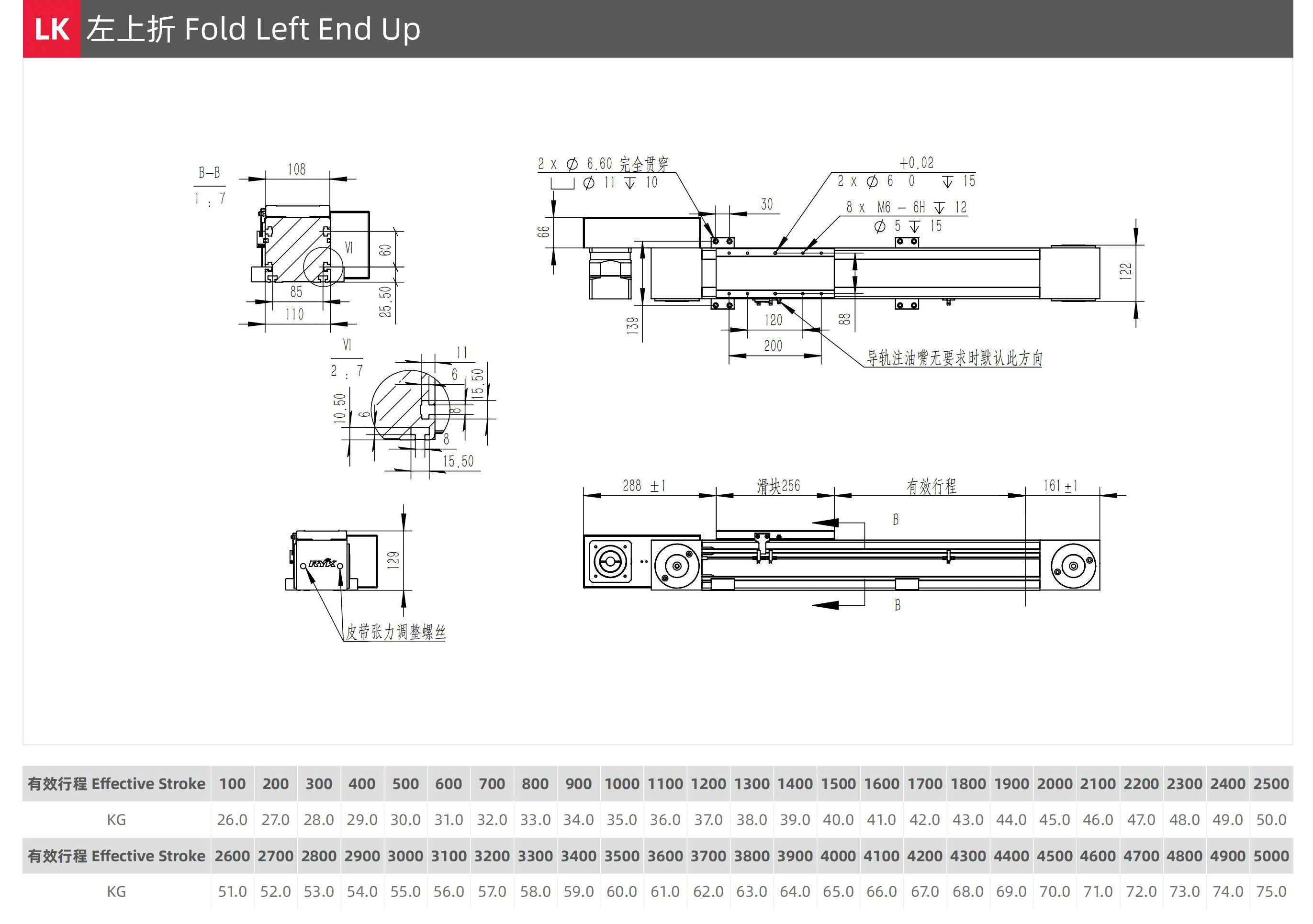
RY110AF线轨欧规同步带模组

嘉翼智能装备自产自销超长行程直线模组,高精度,低噪声,大负载,自有厂房,大量现货价格实惠,厂家直销,超长行程直线模组 欢迎咨询嘉翼直线模组厂家,邓生-18822958970

产品参数

RY110线轨欧规同步带模组具有以下优点:
1、核心部件采用台湾进口零部件(丝杆、导轨)。
2、本体采用新型航空铝材,刚性更高,质量更轻巧。
3、高稳定性,高可靠性,精度可达0.02mm。
4、运行平滑,无磨损,极少维护,使用寿命长。
5、尺寸紧凑,省空间,易搭建。
6、对电机要求不高,能适配市面上主流电机。
工程一对一量身选型,帮你省时,产品更优越。

参数选型

26_03.jpg


型号表示方式

26_04.jpg


产品规格-性能参数

27_02.jpg

27_03.jpg

搭配伺服马达一览表

28_02.jpg

28_03.jpg

29_02.jpg

29_03.jpg

30_02.jpg

30_03.jpg

31_02.jpg

31_03.jpg

32_02.jpg

32_03.jpg

33_02.jpg

33_03.jpg

34_02.jpg

34_03.jpg


在线咨询
欢迎您来到6686体育。我们将尽快解答您的疑问!
若您有详细产品的需求请仔细填写,我们会尽快与您取得联系!
  • 产品名称*

  • 您的姓名*

  • 联系电话*

  • 您的邮箱*

  • 公司名称*

  • 留言内容*

XML地图